YI LING®
杭州萧山电磁阀门厂

PS 先导式蒸汽电磁阀法兰接口

产品介绍
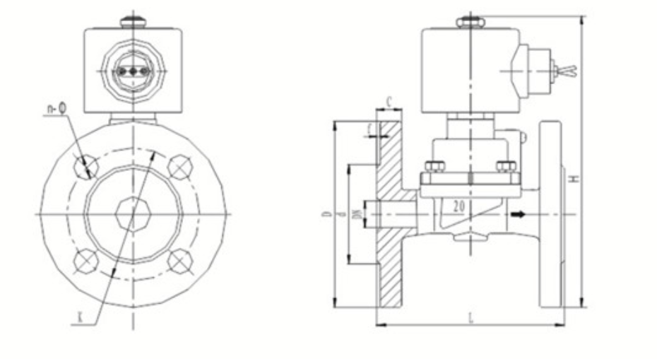
外形尺寸图
技术参数表
订购须知

工作介质:蒸汽、高温液体等

流体温度:0℃~180℃

工作型式:先导式(常闭型、常开型)

工作压力:0.4~16bar(详见规格参数表)

阀体材料:铜、不锈钢SS304

密封材料:聚四氟乙烯(PTFE)

连接型式:法兰连接

工作电压:常闭型:AC220~240V、AC110V50/60Hz20VA,DC24V20W。引线式塑封线圈,IP65、H级。

常开型:AC220~240V、AC110V 50/60Hz23VA,DC24V 28W。

可选配:DIN43650A标准接线盒配置的塑封线圈


ABUIABAEGAAgyqmVrwYowPPG1wcwogc4-AM
产品型号PN=1.6MPa GB/T9113.1-2000        (法兰连接)(mm)
DNLDHLdCfn-φ
PS-15JF181069516565461424-φ14
PS-20JF1810610516775561624-φ14
PS-25JF2513511519085651634-φ14
PS-32JF32140140218100761834-φ18
PS-40JF40148150228110841834-φ18
PS-50JF50182165243125992034-φ18
PS-80JF802782003241601322034-φ18
PS-25F2511811518785651634-φ14
PS-32F32140140218100761834-φ18
PS-40F40150150230110841834-φ18
PS-50F50185165245125992034-φ18
PS-65CF652561852691451182034-φ18
产品型号流量通径Cv值工作压力(bar)最高流体温度线圈参数常 规 订 货 型 号
最小工作压力最大工作压力线圈绝缘等级功率以下表中是常闭型电磁阀、线圈为塑封线圈引线式
蒸汽、高温液体VAW
(粘度≤20cst)AC   220VDC 24V防水等级:IP65、绝缘等级:H级
常闭型常开型
AC 220VDC 24VAC   220VDC 24V电压是AC220V
铜阀体不锈钢304阀体
PS-15JF187.20.4161688180H2020
PS-15JF-AC220V
PS-20JF187.20.4161688180H2020
PS-20JF-AC220V
PS-25JF25120.4161688180H2020
PS-25JF-AC220V
PS-32JF32240.4121288180H2020
PS-32JF-AC220V
PS-40JF40300.4121288180H2020
PS-40JF-AC220V
PS-50JF50480.4121288180H2020
PS-50JF-AC220V
PS-80JF80750.4101066180H2020
PS-80JF-AC220V
PS-25F25120.4161688180H2020PS-25F-AC220V
PS-32F32240.4121288180H2020PS-32F-AC220V
PS-40F40300.4121288180H2020PS-40F-AC220V
PS-50F50480.4121288180H2020PS-50F-AC220V
PS-65CF65530.4101066180H4530PS-65CF-AC220V










地址 : 杭州市萧山区瓜沥镇                                          联系电话 : 0571-82585449 / 82585458                                                   邮箱:yiling-cn@outlook.com
手机:13429690611/13906711902                                                传真:0571-82585449                 keywords:杭州电磁阀 杭州阀门